Доставка
Контакты
0
Список понравившихся изделий
Запчасти
Запчасти
0
Toggle navigation
0
Запчасти
Продукция
Газонокосилки бензиновые Штиль
Бензопилы Штиль
Бензокосы Штиль
Аэратор (скарификатор) Штиль
Электротриммеры Штиль
Газонокосилки электрические Штиль
Воздуходувы Штиль
Садовые измельчители Штиль
Электропилы Штиль
Садовые трактора Штиль
Ножницы садовые Штиль
МультиМотор ММ 56 Штиль
КомбиМотор Штиль
Опрыскиватели Штиль
Аккумуляторная техника Штиль
Культиваторы Штиль
Мойки высокого давления Штиль
Высоторезы Штиль
Газонокосилка робот Штиль
Подметальное устройство Штиль
Пылесосы Штиль
Мотобур Штиль
Бензорезы Штиль
Расходные материалы Штиль
Акции
Покупателю
Сервис
Доставка
Контакты
Главная страница
Каталог запчастей
Каталог запчастей STIHL (запчасти по России и СПБ) ремонт, запчасти, сервисное обслуживание.
КомбиМотор Штиль запчасти ремонт, запчасти, сервисное обслуживание.
КМ 100 R | Комбидвигатель STIHL | Запчасти ремонт, запчасти, сервисное обслуживание.
21 | Средства для ухода | KM 100 R | Комбидвигатель STIHL | Запчасти по России | Сервисное обслуживание ремонт, запчасти, сервисное обслуживание.
Назад
21 | Средства для ухода | KM 100 R | Комбидвигатель STIHL | Запчасти по России | Сервисное обслуживание
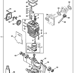
1 | Цилиндр | KM 100 R | Комбидвигатель STIHL | Запчасти по России | Сервисное обслуживание
Увеличить
2 | Клапанное распределение | KM 100 R | Комбидвигатель STIHL | Запчасти по России | Сервисное обслуживание
Увеличить
3 | Пусковое устройство, Топливный бак | KM 100 R | Комбидвигатель STIHL | Запчасти по России | Сервисное обслуживание
Увеличить
4 | Шумоглушитель - Воздушный фильтр | KM 100 R | Комбидвигатель STIHL | Запчасти по России | Сервисное обслуживание
Увеличить
5 | Система зажигания | KM 100 R | Комбидвигатель STIHL | Запчасти по России | Сервисное обслуживание
Увеличить
6 | Mуфта, Корпус вентилятора | KM 100 R | Комбидвигатель STIHL | Запчасти по России | Сервисное обслуживание
Увеличить
7 | Карбюратор C1Q-S174, C1Q-S131 | KM 100 R | Комбидвигатель STIHL | Запчасти по России | Сервисное обслуживание
Увеличить
8 | Карбюратор C1Q-S110 | KM 100 R | Комбидвигатель STIHL | Запчасти по России | Сервисное обслуживание
Увеличить
9 | Карбюратор C1Q-S88 | KM 100 R | Комбидвигатель STIHL | Запчасти по России | Сервисное обслуживание
Увеличить
10 | Карбюратор C1Q-S81 | KM 100 R | Комбидвигатель STIHL | Запчасти по России | Сервисное обслуживание
Увеличить
11 | Карбюратор C1Q-S72 | KM 100 R | Комбидвигатель STIHL | Запчасти по России | Сервисное обслуживание
Увеличить
12 | Ручка | KM 100 R | Комбидвигатель STIHL | Запчасти по России | Сервисное обслуживание
Увеличить
13 | Хвостовик KM 100 R | KM 100 R | Комбидвигатель STIHL | Запчасти по России | Сервисное обслуживание
Увеличить
14 | Удлинитель хвостовика 0,5 m HL-KM 0°, HL-KM 135°, HT-KM, SP-KM | KM 100 R | Комбидвигатель STIHL | Запчасти по России | Сервисное обслуживание
Увеличить
15 | Удлинитель хвостовика 1 m HT-KM | KM 100 R | Комбидвигатель STIHL | Запчасти по России | Сервисное обслуживание
Увеличить
16 | Carbon Удлинитель хвостовика 1 m HT-KM, HL-KM | KM 100 R | Комбидвигатель STIHL | Запчасти по России | Сервисное обслуживание
Увеличить
17 | Инструмент - Специальные принадлежности | KM 100 R | Комбидвигатель STIHL | Запчасти по России | Сервисное обслуживание
Увеличить
18 | Приводной механизм 40 мм | KM 100 R | Комбидвигатель STIHL | Запчасти по России | Сервисное обслуживание
Увеличить
19 | Заводской номер агрегата | KM 100 R | Комбидвигатель STIHL | Запчасти по России | Сервисное обслуживание
Увеличить
20 | Средства для ухода | KM 100 R | Комбидвигатель STIHL | Запчасти по России | Сервисное обслуживание
Увеличить
21 | Средства для ухода | KM 100 R | Комбидвигатель STIHL | Запчасти по России | Сервисное обслуживание
Увеличить
22 | Средства для ухода | KM 100 R | Комбидвигатель STIHL | Запчасти по России | Сервисное обслуживание
Увеличить
STIHL масло, смазка, канистра для комбидвигателя | Штиль КМ 100 R | Магазин - Сервис
Увеличить
Показать все схемы
Сервис
Официальный сервис
Доставка
Доставка по России
Запчасти
Оригинальные запчасти
Скидки
Для сервисных центров
21 | Средства для ухода | KM 100 R | Комбидвигатель STIHL | Запчасти по России | Сервисное обслуживание
1 | Цилиндр | KM 100 R | Комбидвигатель STIHL | Запчасти по России | Сервисное обслуживание
2 | Клапанное распределение | KM 100 R | Комбидвигатель STIHL | Запчасти по России | Сервисное обслуживание
3 | Пусковое устройство, Топливный бак | KM 100 R | Комбидвигатель STIHL | Запчасти по России | Сервисное обслуживание
4 | Шумоглушитель - Воздушный фильтр | KM 100 R | Комбидвигатель STIHL | Запчасти по России | Сервисное обслуживание
5 | Система зажигания | KM 100 R | Комбидвигатель STIHL | Запчасти по России | Сервисное обслуживание
6 | Mуфта, Корпус вентилятора | KM 100 R | Комбидвигатель STIHL | Запчасти по России | Сервисное обслуживание
7 | Карбюратор C1Q-S174, C1Q-S131 | KM 100 R | Комбидвигатель STIHL | Запчасти по России | Сервисное обслуживание
8 | Карбюратор C1Q-S110 | KM 100 R | Комбидвигатель STIHL | Запчасти по России | Сервисное обслуживание
9 | Карбюратор C1Q-S88 | KM 100 R | Комбидвигатель STIHL | Запчасти по России | Сервисное обслуживание
10 | Карбюратор C1Q-S81 | KM 100 R | Комбидвигатель STIHL | Запчасти по России | Сервисное обслуживание
11 | Карбюратор C1Q-S72 | KM 100 R | Комбидвигатель STIHL | Запчасти по России | Сервисное обслуживание
12 | Ручка | KM 100 R | Комбидвигатель STIHL | Запчасти по России | Сервисное обслуживание
13 | Хвостовик KM 100 R | KM 100 R | Комбидвигатель STIHL | Запчасти по России | Сервисное обслуживание
14 | Удлинитель хвостовика 0,5 m HL-KM 0°, HL-KM 135°, HT-KM, SP-KM | KM 100 R | Комбидвигатель STIHL | Запчасти по России | Сервисное обслуживание
15 | Удлинитель хвостовика 1 m HT-KM | KM 100 R | Комбидвигатель STIHL | Запчасти по России | Сервисное обслуживание
16 | Carbon Удлинитель хвостовика 1 m HT-KM, HL-KM | KM 100 R | Комбидвигатель STIHL | Запчасти по России | Сервисное обслуживание
17 | Инструмент - Специальные принадлежности | KM 100 R | Комбидвигатель STIHL | Запчасти по России | Сервисное обслуживание
18 | Приводной механизм 40 мм | KM 100 R | Комбидвигатель STIHL | Запчасти по России | Сервисное обслуживание
19 | Заводской номер агрегата | KM 100 R | Комбидвигатель STIHL | Запчасти по России | Сервисное обслуживание
20 | Средства для ухода | KM 100 R | Комбидвигатель STIHL | Запчасти по России | Сервисное обслуживание
21 | Средства для ухода | KM 100 R | Комбидвигатель STIHL | Запчасти по России | Сервисное обслуживание
22 | Средства для ухода | KM 100 R | Комбидвигатель STIHL | Запчасти по России | Сервисное обслуживание
STIHL масло, смазка, канистра для комбидвигателя | Штиль КМ 100 R | Магазин - Сервис
№
1
2
2
2
3
4
Ссылка №
Артикул
Используется штук
Наименование
Включая
Цена
1
07304117000
1
Спрей универсальный MULTISPRAY STIHL 400 мл
Используется в агрегатах
1318
i
2
00008819400
1
Чистящее средство от грязи Varioclean 500 мл STIHL
Используется в агрегатах
1439
i
2
07825168200
1
Универсальный очиститель STIHL Multiclean | для полимерных, резиновых, лакокрасочных изделий
Используется в агрегатах
1682
i
2
07825168600
1
Набор STIHL | CARE & CLEAN | для очистки и обслуживания газонокосилок
Используется в агрегатах
2889
i
3
07824201002
1
Средство для удаления смолы, 300 мл
Используется в агрегатах
1803
i
4
07825168500
1
Масло STIHL | MultiOil Bio 50 мл | действует как пропиточное масло
Используется в агрегатах
594
i