Доставка
Контакты
0
Список понравившихся изделий
Запчасти
Запчасти
0
Toggle navigation
0
Запчасти
Продукция
Газонокосилки бензиновые Штиль
Бензопилы Штиль
Бензокосы Штиль
Аэратор (скарификатор) Штиль
Электротриммеры Штиль
Газонокосилки электрические Штиль
Воздуходувы Штиль
Садовые измельчители Штиль
Электропилы Штиль
Садовые трактора Штиль
Ножницы садовые Штиль
МультиМотор ММ 56 Штиль
КомбиМотор Штиль
Опрыскиватели Штиль
Аккумуляторная техника Штиль
Культиваторы Штиль
Мойки высокого давления Штиль
Высоторезы Штиль
Газонокосилка робот Штиль
Подметальное устройство Штиль
Пылесосы Штиль
Мотобур Штиль
Бензорезы Штиль
Расходные материалы Штиль
Акции
Покупателю
Сервис
Доставка
Контакты
Главная страница
Каталог запчастей
Каталог запчастей STIHL (запчасти по России и СПБ) ремонт, запчасти, сервисное обслуживание.
Воздуходувы бензиновые Штиль запчасти ремонт, запчасти, сервисное обслуживание.
BR 500 | Воздуходув STIHL | Запчасти ремонт, запчасти, сервисное обслуживание.
21 | Различные смазочные материалы и консистентные смазки | BR 500 | Воздуходувка STIHL | Запчасти по России и СПБ | Сервисное обслуживание ремонт, запчасти, сервисное обслуживание.
Назад
21 | Различные смазочные материалы и консистентные смазки | BR 500 | Воздуходувка STIHL | Запчасти по России и СПБ | Сервисное обслуживание
1 | Приводной механизм | BR 500 | Воздуходувка STIHL | Запчасти по России и СПБ | Сервисное обслуживание
Увеличить
2 | Приводной механизм | BR 500 | Воздуходувка STIHL | Запчасти по России и СПБ | Сервисное обслуживание
Увеличить
3 | Шумоглушитель - Система зажигания | BR 500 | Воздуходувка STIHL | Запчасти по России и СПБ | Сервисное обслуживание
Увеличить
4 | Воздушный фильтр - Колено | BR 500 | Воздуходувка STIHL | Запчасти по России и СПБ | Сервисное обслуживание
Увеличить
5 | Воздушный фильтр - Колено | BR 500 | Воздуходувка STIHL | Запчасти по России и СПБ | Сервисное обслуживание
Увеличить
6 | Пусковое устройство | BR 500 | Воздуходувка STIHL | Запчасти по России и СПБ | Сервисное обслуживание
Увеличить
7 | Карбюратор 4282/13 | BR 500 | Воздуходувка STIHL | Запчасти по России и СПБ | Сервисное обслуживание
Увеличить
8 | Карбюратор 4282/10 | BR 500 | Воздуходувка STIHL | Запчасти по России и СПБ | Сервисное обслуживание
Увеличить
9 | Карбюратор C1Q-S183 | BR 500 | Воздуходувка STIHL | Запчасти по России и СПБ | Сервисное обслуживание
Увеличить
10 | Карбюратор C1Q-S99 | BR 500 | Воздуходувка STIHL | Запчасти по России и СПБ | Сервисное обслуживание
Увеличить
11 | Корпус вентилятора - Кожух | BR 500 | Воздуходувка STIHL | Запчасти по России и СПБ | Сервисное обслуживание
Увеличить
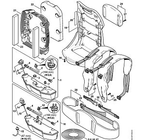
12 | Топливный бак - Опорная плита для ношения устройства на спине | BR 500 | Воздуходувка STIHL | Запчасти по России и СПБ | Сервисное обслуживание
Увеличить
13 | Гофрированный шланг - Пневматическая труба | BR 500 | Воздуходувка STIHL | Запчасти по России и СПБ | Сервисное обслуживание
Увеличить
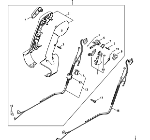
14 | Рукоятка управления | BR 500 | Воздуходувка STIHL | Запчасти по России и СПБ | Сервисное обслуживание
Увеличить
15 | Рукоятка управления | BR 500 | Воздуходувка STIHL | Запчасти по России и СПБ | Сервисное обслуживание
Увеличить
16 | Рукоятка управления | BR 500 | Воздуходувка STIHL | Запчасти по России и СПБ | Сервисное обслуживание
Увеличить
17 | рукоятка с двумя ручками | BR 500 | Воздуходувка STIHL | Запчасти по России и СПБ | Сервисное обслуживание
Увеличить
18 | Инструмент - Специальные принадлежности | BR 500 | Воздуходувка STIHL | Запчасти по России и СПБ | Сервисное обслуживание
Увеличить
19 | Заводской номер агрегата | BR 500 | Воздуходувка STIHL | Запчасти по России и СПБ | Сервисное обслуживание
Увеличить
20 | Smart Connector | BR 500 | Воздуходувка STIHL | Запчасти по России и СПБ | Сервисное обслуживание
Увеличить
21 | Различные смазочные материалы и консистентные смазки | BR 500 | Воздуходувка STIHL | Запчасти по России и СПБ | Сервисное обслуживание
Увеличить
22 | Средства для ухода | BR 500 | Воздуходувка STIHL | Запчасти по России и СПБ | Сервисное обслуживание
Увеличить
STIHL масло, смазка, канистра для воздуходувки | Штиль BR 500 | Магазин - Сервис
Увеличить
Показать все схемы
Сервис
Официальный сервис
Доставка
Доставка по России
Запчасти
Оригинальные запчасти
Скидки
Для сервисных центров
21 | Различные смазочные материалы и консистентные смазки | BR 500 | Воздуходувка STIHL | Запчасти по России и СПБ | Сервисное обслуживание
1 | Приводной механизм | BR 500 | Воздуходувка STIHL | Запчасти по России и СПБ | Сервисное обслуживание
2 | Приводной механизм | BR 500 | Воздуходувка STIHL | Запчасти по России и СПБ | Сервисное обслуживание
3 | Шумоглушитель - Система зажигания | BR 500 | Воздуходувка STIHL | Запчасти по России и СПБ | Сервисное обслуживание
4 | Воздушный фильтр - Колено | BR 500 | Воздуходувка STIHL | Запчасти по России и СПБ | Сервисное обслуживание
5 | Воздушный фильтр - Колено | BR 500 | Воздуходувка STIHL | Запчасти по России и СПБ | Сервисное обслуживание
6 | Пусковое устройство | BR 500 | Воздуходувка STIHL | Запчасти по России и СПБ | Сервисное обслуживание
7 | Карбюратор 4282/13 | BR 500 | Воздуходувка STIHL | Запчасти по России и СПБ | Сервисное обслуживание
8 | Карбюратор 4282/10 | BR 500 | Воздуходувка STIHL | Запчасти по России и СПБ | Сервисное обслуживание
9 | Карбюратор C1Q-S183 | BR 500 | Воздуходувка STIHL | Запчасти по России и СПБ | Сервисное обслуживание
10 | Карбюратор C1Q-S99 | BR 500 | Воздуходувка STIHL | Запчасти по России и СПБ | Сервисное обслуживание
11 | Корпус вентилятора - Кожух | BR 500 | Воздуходувка STIHL | Запчасти по России и СПБ | Сервисное обслуживание
12 | Топливный бак - Опорная плита для ношения устройства на спине | BR 500 | Воздуходувка STIHL | Запчасти по России и СПБ | Сервисное обслуживание
13 | Гофрированный шланг - Пневматическая труба | BR 500 | Воздуходувка STIHL | Запчасти по России и СПБ | Сервисное обслуживание
14 | Рукоятка управления | BR 500 | Воздуходувка STIHL | Запчасти по России и СПБ | Сервисное обслуживание
15 | Рукоятка управления | BR 500 | Воздуходувка STIHL | Запчасти по России и СПБ | Сервисное обслуживание
16 | Рукоятка управления | BR 500 | Воздуходувка STIHL | Запчасти по России и СПБ | Сервисное обслуживание
17 | рукоятка с двумя ручками | BR 500 | Воздуходувка STIHL | Запчасти по России и СПБ | Сервисное обслуживание
18 | Инструмент - Специальные принадлежности | BR 500 | Воздуходувка STIHL | Запчасти по России и СПБ | Сервисное обслуживание
19 | Заводской номер агрегата | BR 500 | Воздуходувка STIHL | Запчасти по России и СПБ | Сервисное обслуживание
20 | Smart Connector | BR 500 | Воздуходувка STIHL | Запчасти по России и СПБ | Сервисное обслуживание
21 | Различные смазочные материалы и консистентные смазки | BR 500 | Воздуходувка STIHL | Запчасти по России и СПБ | Сервисное обслуживание
22 | Средства для ухода | BR 500 | Воздуходувка STIHL | Запчасти по России и СПБ | Сервисное обслуживание
STIHL масло, смазка, канистра для воздуходувки | Штиль BR 500 | Магазин - Сервис
№
1
1
1
2
3
4
4
4
Ссылка №
Артикул
Используется штук
Наименование
Включая
Цена
1
07811201021
1
Многоцелевая смазка Multilub, тюбик, 40 г
Используется в агрегатах
429
i
1
07811201109
1
Многоцелевая смазка 80 g
Используется в агрегатах
2364
i
1
07811201110
1
Многоцелевая смазка 225 g
Используется в агрегатах
2527
i
2
0890.321
1
Герметик Wurth - аналог Dirko
Используется в агрегатах
8041
i
3
07825168500
1
Масло STIHL | MultiOil Bio 50 мл | действует как пропиточное масло
Используется в агрегатах
594
i
4
07813198401
1
Моторное масло STIHL для 2-х тактных двигателей HP, 100 мл
Используется в агрегатах
558
i
4
07813198410-1
1
Моторное масло минеральное STIHL для 2-х тактных двигателей HP, 1 литр
Используется в агрегатах
2588
i
Добавить в корзину
В наличии 16 шт.
Обновлено 24.04.2026 (10:20)
4
07813198060
1
Моторное масло STIHL синтетика для 2-х тактных 100мл
Используется в агрегатах
594
i