Назад

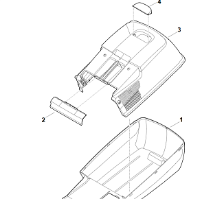
4 | D - Двигатель, нож | RMA 253.0 | Аккумуляторная газонокосилка STIHL | Запчасти по России | Сервисное обслуживание

Ссылка № АртикулИспользуется штук Наименование Включая Цена
1 00007025005 1 6767 i
В наличии 1 шт.
Обновлено 24.04.2026 (10:05)
2 00007026600 1 1262 i
В наличии 11 шт.
Обновлено 24.04.2026 (10:19)
3 63386073000 1 5529 i
4 63507045400 1

Недоступен к заказу

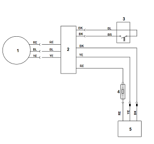
5 91040079985 3 1115 i
6 63710115000 1

Недоступен к заказу

7 63717020105 1 6265 i
8 63719670105 1

Недоступен к заказу

9 90083199028 1 1274 i
10 94556213320 1 118 i
11 63114303800 1 2395 i
12 63684031300 1

Недоступен к заказу