Доставка
Контакты
0
Список понравившихся изделий
Запчасти
Запчасти
0
Toggle navigation
0
Запчасти
Продукция
Газонокосилки бензиновые Штиль
Бензопилы Штиль
Бензокосы Штиль
Аэратор (скарификатор) Штиль
Электротриммеры Штиль
Газонокосилки электрические Штиль
Воздуходувы Штиль
Садовые измельчители Штиль
Электропилы Штиль
Садовые трактора Штиль
Ножницы садовые Штиль
МультиМотор ММ 56 Штиль
КомбиМотор Штиль
Опрыскиватели Штиль
Аккумуляторная техника Штиль
Культиваторы Штиль
Мойки высокого давления Штиль
Высоторезы Штиль
Газонокосилка робот Штиль
Подметальное устройство Штиль
Пылесосы Штиль
Мотобур Штиль
Бензорезы Штиль
Расходные материалы Штиль
Акции
Покупателю
Сервис
Доставка
Контакты
Главная страница
Каталог запчастей
Каталог запчастей STIHL (запчасти по России и СПБ) ремонт, запчасти, сервисное обслуживание.
Аккумуляторная техника Штиль запчасти ремонт, запчасти, сервисное обслуживание.
RMA 248.0 | Аккумуляторная газонокосилка STIHL | Запчасти ремонт, запчасти, сервисное обслуживание.
9 | Средства для ухода | RMA 248.0 | Аккумуляторная газонокосилка STIHL | Запчасти по России | Сервисное обслуживание ремонт, запчасти, сервисное обслуживание.
Назад
9 | Средства для ухода | RMA 248.0 | Аккумуляторная газонокосилка STIHL | Запчасти по России | Сервисное обслуживание
1 | A - Руль | RMA 248.0 | Аккумуляторная газонокосилка STIHL | Запчасти по России | Сервисное обслуживание
Увеличить
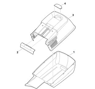
2 | B - Корпус | RMA 248.0 | Аккумуляторная газонокосилка STIHL | Запчасти по России | Сервисное обслуживание
Увеличить
3 | C - Ходовая часть | RMA 248.0 | Аккумуляторная газонокосилка STIHL | Запчасти по России | Сервисное обслуживание
Увеличить
4 | D - Двигатель, нож | RMA 248.0 | Аккумуляторная газонокосилка STIHL | Запчасти по России | Сервисное обслуживание
Увеличить
5 | E - Травосборник | RMA 248.0 | Аккумуляторная газонокосилка STIHL | Запчасти по России | Сервисное обслуживание
Увеличить
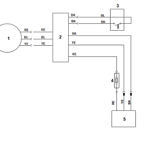
6 | F - Электрическая схема | RMA 248.0 | Аккумуляторная газонокосилка STIHL | Запчасти по России | Сервисное обслуживание
Увеличить
7 | G - Специальный инструмент | RMA 248.0 | Аккумуляторная газонокосилка STIHL | Запчасти по России | Сервисное обслуживание
Увеличить
8 | Различные смазочные материалы и консистентные смазки | RMA 248.0 | Аккумуляторная газонокосилка STIHL | Запчасти по России | Сервисное обслуживание
Увеличить
9 | Средства для ухода | RMA 248.0 | Аккумуляторная газонокосилка STIHL | Запчасти по России | Сервисное обслуживание
Увеличить
Показать все схемы
Сервис
Официальный сервис
Доставка
Доставка по России
Запчасти
Оригинальные запчасти
Скидки
Для сервисных центров
9 | Средства для ухода | RMA 248.0 | Аккумуляторная газонокосилка STIHL | Запчасти по России | Сервисное обслуживание
1 | A - Руль | RMA 248.0 | Аккумуляторная газонокосилка STIHL | Запчасти по России | Сервисное обслуживание
2 | B - Корпус | RMA 248.0 | Аккумуляторная газонокосилка STIHL | Запчасти по России | Сервисное обслуживание
3 | C - Ходовая часть | RMA 248.0 | Аккумуляторная газонокосилка STIHL | Запчасти по России | Сервисное обслуживание
4 | D - Двигатель, нож | RMA 248.0 | Аккумуляторная газонокосилка STIHL | Запчасти по России | Сервисное обслуживание
5 | E - Травосборник | RMA 248.0 | Аккумуляторная газонокосилка STIHL | Запчасти по России | Сервисное обслуживание
6 | F - Электрическая схема | RMA 248.0 | Аккумуляторная газонокосилка STIHL | Запчасти по России | Сервисное обслуживание
7 | G - Специальный инструмент | RMA 248.0 | Аккумуляторная газонокосилка STIHL | Запчасти по России | Сервисное обслуживание
8 | Различные смазочные материалы и консистентные смазки | RMA 248.0 | Аккумуляторная газонокосилка STIHL | Запчасти по России | Сервисное обслуживание
9 | Средства для ухода | RMA 248.0 | Аккумуляторная газонокосилка STIHL | Запчасти по России | Сервисное обслуживание
№
1
2
2
3
5
Ссылка №
Артикул
Используется штук
Наименование
Включая
Цена
1
07304117000
1
MULTISPRAY STIHL 400 мл | удаление ржавчины | смазка | очистка | защита от коррозии
Используется в агрегатах
1318
i
2
00008819400
1
Чистящее средство от грязи | Varioclean 500 мл STIHL
Используется в агрегатах
1439
i
2
07825168200
1
Универсальный очиститель STIHL Multiclean | для полимерных, резиновых, лакокрасочных изделий
Используется в агрегатах
1682
i
3
07825168500
1
Масло STIHL | MultiOil Bio 50 мл | действует как пропиточное масло
Используется в агрегатах
594
i
5
07824201002
1
Средство для удаления смолы, 300 мл
Используется в агрегатах
1803
i