Назад

2 | B - Корпус | MVP 600.1 | Аккумуляторный двигатель STIHL | Запчасти по России | Сервисное обслуживание

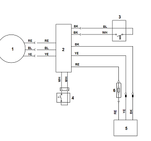
Ссылка № АртикулИспользуется штук Наименование Включая Цена
1 00004050701 2

Недоступен к заказу

2 00004320605 1

Недоступен к заказу

3 00004481300 1

Недоступен к заказу

4 00007002700 1

Недоступен к заказу

5 00007008500 1

Недоступен к заказу

6 00007602200 1

Недоступен к заказу

7 00007060700 1

Недоступен к заказу

8 00009513503 2

Недоступен к заказу

9 91040074289 8 1034 i
В наличии 4 шт.
Обновлено 24.04.2026 (10:17)