Доставка
Контакты
0
Список понравившихся изделий
Запчасти
Запчасти
0
Toggle navigation
0
Запчасти
Продукция
Газонокосилки бензиновые Штиль
Бензопилы Штиль
Бензокосы Штиль
Аэратор (скарификатор) Штиль
Электротриммеры Штиль
Газонокосилки электрические Штиль
Воздуходувы Штиль
Садовые измельчители Штиль
Электропилы Штиль
Садовые трактора Штиль
Ножницы садовые Штиль
МультиМотор ММ 56 Штиль
КомбиМотор Штиль
Опрыскиватели Штиль
Аккумуляторная техника Штиль
Культиваторы Штиль
Мойки высокого давления Штиль
Высоторезы Штиль
Газонокосилка робот Штиль
Подметальное устройство Штиль
Пылесосы Штиль
Мотобур Штиль
Бензорезы Штиль
Расходные материалы Штиль
Акции
Покупателю
Сервис
Доставка
Контакты
Главная страница
Каталог запчастей
Каталог запчастей STIHL (запчасти по России и СПБ) ремонт, запчасти, сервисное обслуживание.
Бензопила Stihl запчасти ремонт, запчасти, сервисное обслуживание.
MS 291 C-BE | Бензопила STIHL | Запчасти ремонт, запчасти, сервисное обслуживание.
Заточка цепи | для бензопилы Штиль MS 291 в СПБ | Сервисная диагностика Stihl бесплатно | ремонт, запчасти, сервисное обслуживание.
Назад
Заточка цепи | для бензопилы Штиль MS 291 в СПБ | Сервисная диагностика Stihl бесплатно |
1 | Картер двигателя | MS 291 C | Бензопила STIHL | Запчасти по России | Сервисное обслуживание
Увеличить
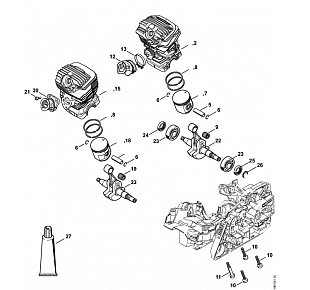
2 | Цилиндр | MS 291 C | Бензопила STIHL | Запчасти по России | Сервисное обслуживание
Увеличить
3 | Шумоглушитель | MS 291 C | Бензопила STIHL | Запчасти по России | Сервисное обслуживание
Увеличить
4 | Mасляный насос - Муфта | MS 291 C | Бензопила STIHL | Запчасти по России | Сервисное обслуживание
Увеличить
5 | Тормоз пильной цепи | MS 291 C | Бензопила STIHL | Запчасти по России | Сервисное обслуживание
Увеличить
6 | Натяжное устройство цепи | MS 291 C | Бензопила STIHL | Запчасти по России | Сервисное обслуживание
Увеличить
7 | Система зажигания - Кабельный жгут | MS 291 C | Бензопила STIHL | Запчасти по России | Сервисное обслуживание
Увеличить
8 | Пусковое устройство - Приспособление для защиты рук | MS 291 C | Бензопила STIHL | Запчасти по России | Сервисное обслуживание
Увеличить
9 | Корпус топливного бака | MS 291 C | Бензопила STIHL | Запчасти по России | Сервисное обслуживание
Увеличить
10 | Антивибрационная система - Трубчатая рукоятка | MS 291 C | Бензопила STIHL | Запчасти по России | Сервисное обслуживание
Увеличить
11 | Воздухопровод, Воздушный фильтр, Кожух | MS 291 C | Бензопила STIHL | Запчасти по России | Сервисное обслуживание
Увеличить
12 | Карбюратор C1Q-S247, C1Q-S253, C1Q-S212, C1Q-S179 | MS 291 C | Бензопила STIHL | Запчасти по России | Сервисное обслуживание
Увеличить
13 | Устройство управления дроссельной заслонкой | MS 291 C | Бензопила STIHL | Запчасти по России | Сервисное обслуживание
Увеличить
Шина, цепь для бензопилы Штиль | MS 291 C | STIHL |
Увеличить
STIHL масло, смазка, канистра для бензопилы | мотопилы Штиль MS 291 C-BE | Магазин - Сервис
Увеличить
Ремонт бензопилы | пилы Штиль MS 291 в СПБ | Сервисная диагностика Stihl бесплатно |
Увеличить
Заточка цепи | для бензопилы Штиль MS 291 в СПБ | Сервисная диагностика Stihl бесплатно |
Увеличить
Показать все схемы
Сервис
Официальный сервис
Доставка
Доставка по России
Запчасти
Оригинальные запчасти
Скидки
Для сервисных центров
Заточка цепи | для бензопилы Штиль MS 291 в СПБ | Сервисная диагностика Stihl бесплатно |
1 | Картер двигателя | MS 291 C | Бензопила STIHL | Запчасти по России | Сервисное обслуживание
2 | Цилиндр | MS 291 C | Бензопила STIHL | Запчасти по России | Сервисное обслуживание
3 | Шумоглушитель | MS 291 C | Бензопила STIHL | Запчасти по России | Сервисное обслуживание
4 | Mасляный насос - Муфта | MS 291 C | Бензопила STIHL | Запчасти по России | Сервисное обслуживание
5 | Тормоз пильной цепи | MS 291 C | Бензопила STIHL | Запчасти по России | Сервисное обслуживание
6 | Натяжное устройство цепи | MS 291 C | Бензопила STIHL | Запчасти по России | Сервисное обслуживание
7 | Система зажигания - Кабельный жгут | MS 291 C | Бензопила STIHL | Запчасти по России | Сервисное обслуживание
8 | Пусковое устройство - Приспособление для защиты рук | MS 291 C | Бензопила STIHL | Запчасти по России | Сервисное обслуживание
9 | Корпус топливного бака | MS 291 C | Бензопила STIHL | Запчасти по России | Сервисное обслуживание
10 | Антивибрационная система - Трубчатая рукоятка | MS 291 C | Бензопила STIHL | Запчасти по России | Сервисное обслуживание
11 | Воздухопровод, Воздушный фильтр, Кожух | MS 291 C | Бензопила STIHL | Запчасти по России | Сервисное обслуживание
12 | Карбюратор C1Q-S247, C1Q-S253, C1Q-S212, C1Q-S179 | MS 291 C | Бензопила STIHL | Запчасти по России | Сервисное обслуживание
13 | Устройство управления дроссельной заслонкой | MS 291 C | Бензопила STIHL | Запчасти по России | Сервисное обслуживание
Шина, цепь для бензопилы Штиль | MS 291 C | STIHL |
STIHL масло, смазка, канистра для бензопилы | мотопилы Штиль MS 291 C-BE | Магазин - Сервис
Ремонт бензопилы | пилы Штиль MS 291 в СПБ | Сервисная диагностика Stihl бесплатно |
Заточка цепи | для бензопилы Штиль MS 291 в СПБ | Сервисная диагностика Stihl бесплатно |
№