Доставка
Контакты
0
Список понравившихся изделий
Запчасти
Запчасти
0
Toggle navigation
0
Запчасти
Продукция
Газонокосилки бензиновые Штиль
Бензопилы Штиль
Бензокосы Штиль
Аэратор (скарификатор) Штиль
Электротриммеры Штиль
Газонокосилки электрические Штиль
Воздуходувы Штиль
Садовые измельчители Штиль
Электропилы Штиль
Садовые трактора Штиль
Ножницы садовые Штиль
МультиМотор ММ 56 Штиль
КомбиМотор Штиль
Опрыскиватели Штиль
Аккумуляторная техника Штиль
Культиваторы Штиль
Мойки высокого давления Штиль
Высоторезы Штиль
Газонокосилка робот Штиль
Подметальное устройство Штиль
Пылесосы Штиль
Мотобур Штиль
Бензорезы Штиль
Расходные материалы Штиль
Акции
Покупателю
Сервис
Доставка
Контакты
Главная страница
Каталог запчастей
Каталог запчастей STIHL (запчасти по России и СПБ) ремонт, запчасти, сервисное обслуживание.
Бензопила Stihl запчасти ремонт, запчасти, сервисное обслуживание.
MS 200 | Бензопила STIHL | Запчасти ремонт, запчасти, сервисное обслуживание.
Заточка цепи | для бензопилы Штиль MS 200 в СПБ | Сервисная диагностика Stihl бесплатно | ремонт, запчасти, сервисное обслуживание.
Назад
Заточка цепи | для бензопилы Штиль MS 200 в СПБ | Сервисная диагностика Stihl бесплатно |
1 | Картер - Цилиндр MS 200 | Бензиномоторные пилы MS 200 STIHL | Запчасти по России | Ремонт
Увеличить
2 | Картер - Цилиндр | Бензиномоторные пилы MS 200 STIHL | Запчасти по России | Ремонт
Увеличить
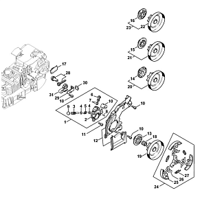
3 | Mасляный насос - Муфта | Бензиномоторные пилы MS 200 STIHL | Запчасти по России | Ремонт
Увеличить
4 | Корпус топливного бака MS 200 | Бензиномоторные пилы MS 200 STIHL | Запчасти по России | Ремонт
Увеличить
5 | Корпус топливного бака MS 200 (32.2005) | Бензиномоторные пилы MS 200 STIHL | Запчасти по России | Ремонт
Увеличить
6 | Крышка цепной звёздочки | Бензиномоторные пилы MS 200 STIHL | Запчасти по России | Ремонт
Увеличить
7 | Система зажигания - Пусковое устройство | Бензиномоторные пилы MS 200 STIHL | Запчасти по России | Ремонт
Увеличить
8 | Корпус рукоятки MS 200 | Бензиномоторные пилы MS 200 STIHL | Запчасти по России | Ремонт
Увеличить
9 | Воздушный фильтр MS 200 | Бензиномоторные пилы MS 200 STIHL | Запчасти по России | Ремонт
Увеличить
10 | Воздушный фильтр MS 200 | Бензиномоторные пилы MS 200 STIHL | Запчасти по России | Ремонт
Увеличить
11 | Карбюратор C1Q-S129 Япония | Бензиномоторные пилы MS 200 STIHL | Запчасти по России | Ремонт
Увеличить
12 | Карбюратор C1Q-S96 (41.2006), (19.2008) | Бензиномоторные пилы MS 200 STIHL | Запчасти по России | Ремонт
Увеличить
13 | Карбюратор C1Q-S109 C1Q-S109 Япония | Бензиномоторные пилы MS 200 STIHL | Запчасти по России | Ремонт
Увеличить
14 | Карбюратор C1Q-S61 (32.2005), (41.2006), (19.2008) | Бензиномоторные пилы MS 200 STIHL | Запчасти по России | Ремонт
Увеличить
15 | Карбюратор C1Q-S32 (20.2003), (41.2006) | Бензиномоторные пилы MS 200 STIHL | Запчасти по России | Ремонт
Увеличить
16 | Инструмент - Специальные принадлежности | Бензиномоторные пилы MS 200 STIHL | Запчасти по России | Ремонт
Увеличить
17 | Различные смазочные материалы и консистентные смазки | Бензиномоторные пилы MS 200 STIHL | Запчасти по России | Ремонт
Увеличить
18 | Средства для ухода | Бензиномоторные пилы MS 200 STIHL | Запчасти по России | Ремонт
Увеличить
Шина, цепь для бензопилы Штиль | MS 200 | STIHL |
Увеличить
STIHL масло, смазка, канистра для бензопилы | мотопилы Штиль MS 200 | Магазин - Сервис
Увеличить
Ремонт бензопилы | пилы Штиль MS 200 в СПБ | Сервисная диагностика Stihl бесплатно |
Увеличить
Заточка цепи | для бензопилы Штиль MS 200 в СПБ | Сервисная диагностика Stihl бесплатно |
Увеличить
Показать все схемы
Сервис
Официальный сервис
Доставка
Доставка по России
Запчасти
Оригинальные запчасти
Скидки
Для сервисных центров
Заточка цепи | для бензопилы Штиль MS 200 в СПБ | Сервисная диагностика Stihl бесплатно |
1 | Картер - Цилиндр MS 200 | Бензиномоторные пилы MS 200 STIHL | Запчасти по России | Ремонт
2 | Картер - Цилиндр | Бензиномоторные пилы MS 200 STIHL | Запчасти по России | Ремонт
3 | Mасляный насос - Муфта | Бензиномоторные пилы MS 200 STIHL | Запчасти по России | Ремонт
4 | Корпус топливного бака MS 200 | Бензиномоторные пилы MS 200 STIHL | Запчасти по России | Ремонт
5 | Корпус топливного бака MS 200 (32.2005) | Бензиномоторные пилы MS 200 STIHL | Запчасти по России | Ремонт
6 | Крышка цепной звёздочки | Бензиномоторные пилы MS 200 STIHL | Запчасти по России | Ремонт
7 | Система зажигания - Пусковое устройство | Бензиномоторные пилы MS 200 STIHL | Запчасти по России | Ремонт
8 | Корпус рукоятки MS 200 | Бензиномоторные пилы MS 200 STIHL | Запчасти по России | Ремонт
9 | Воздушный фильтр MS 200 | Бензиномоторные пилы MS 200 STIHL | Запчасти по России | Ремонт
10 | Воздушный фильтр MS 200 | Бензиномоторные пилы MS 200 STIHL | Запчасти по России | Ремонт
11 | Карбюратор C1Q-S129 Япония | Бензиномоторные пилы MS 200 STIHL | Запчасти по России | Ремонт
12 | Карбюратор C1Q-S96 (41.2006), (19.2008) | Бензиномоторные пилы MS 200 STIHL | Запчасти по России | Ремонт
13 | Карбюратор C1Q-S109 C1Q-S109 Япония | Бензиномоторные пилы MS 200 STIHL | Запчасти по России | Ремонт
14 | Карбюратор C1Q-S61 (32.2005), (41.2006), (19.2008) | Бензиномоторные пилы MS 200 STIHL | Запчасти по России | Ремонт
15 | Карбюратор C1Q-S32 (20.2003), (41.2006) | Бензиномоторные пилы MS 200 STIHL | Запчасти по России | Ремонт
16 | Инструмент - Специальные принадлежности | Бензиномоторные пилы MS 200 STIHL | Запчасти по России | Ремонт
17 | Различные смазочные материалы и консистентные смазки | Бензиномоторные пилы MS 200 STIHL | Запчасти по России | Ремонт
18 | Средства для ухода | Бензиномоторные пилы MS 200 STIHL | Запчасти по России | Ремонт
Шина, цепь для бензопилы Штиль | MS 200 | STIHL |
STIHL масло, смазка, канистра для бензопилы | мотопилы Штиль MS 200 | Магазин - Сервис
Ремонт бензопилы | пилы Штиль MS 200 в СПБ | Сервисная диагностика Stihl бесплатно |
Заточка цепи | для бензопилы Штиль MS 200 в СПБ | Сервисная диагностика Stihl бесплатно |
№