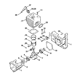
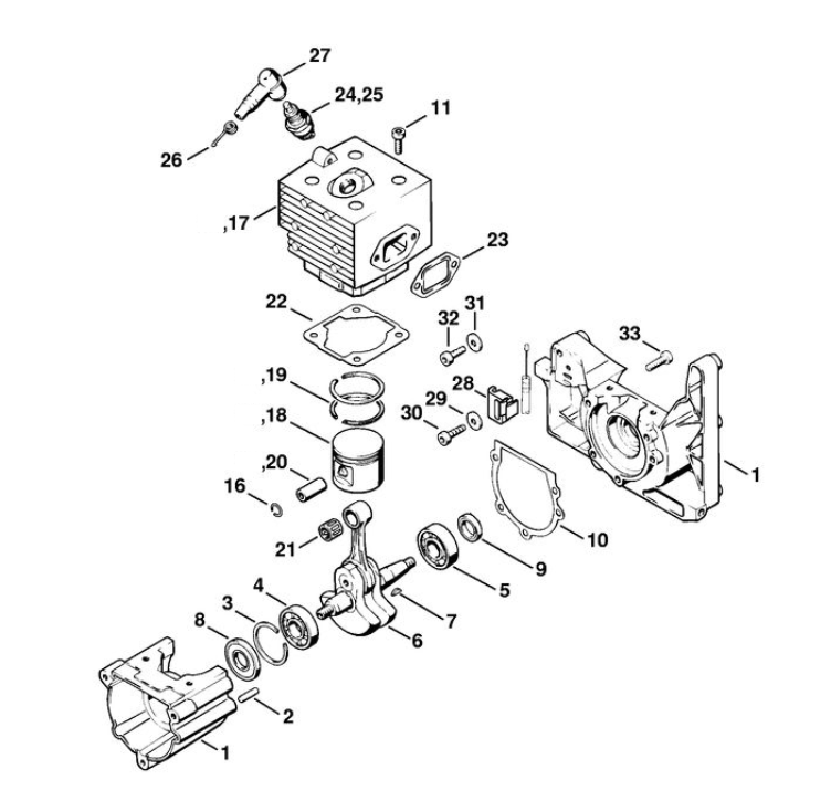
1 | Картер - Цилиндр | SR 400 | Опрыскиватель STIHL | Запчасти по России | Сервисное обслуживание
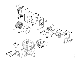
2 | Пусковое устройство - Шумоглушитель | SR 400 | Опрыскиватель STIHL | Запчасти по России | Сервисное обслуживание
3 | Воздушный фильтр - Система зажигания | SR 400 | Опрыскиватель STIHL | Запчасти по России | Сервисное обслуживание
4 | Карбюратор HD-4, HD-13 | SR 400 | Опрыскиватель STIHL | Запчасти по России | Сервисное обслуживание
5 | Корпус вентилятора | SR 400 | Опрыскиватель STIHL | Запчасти по России | Сервисное обслуживание
6 | Опорная плита для ношения устройства на спине | SR 400 | Опрыскиватель STIHL | Запчасти по России | Сервисное обслуживание
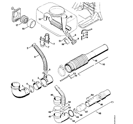
7 | Резервуар | SR 400 | Опрыскиватель STIHL | Запчасти по России | Сервисное обслуживание
8 | Гофрированный шланг - ULV-сопло | SR 400 | Опрыскиватель STIHL | Запчасти по России | Сервисное обслуживание
9 | Рукоятка управления | SR 400 | Опрыскиватель STIHL | Запчасти по России | Сервисное обслуживание
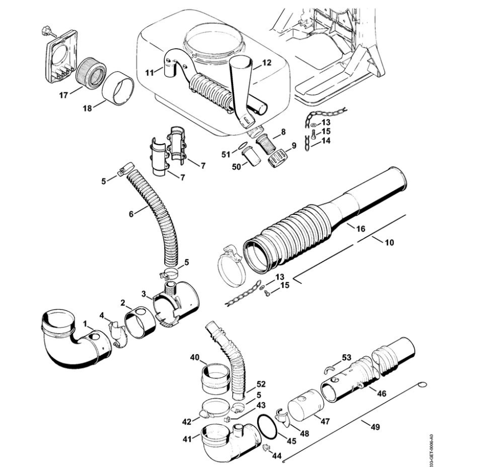
10 | Опылительно-разбрызгивающее устройство | SR 400 | Опрыскиватель STIHL | Запчасти по России | Сервисное обслуживание
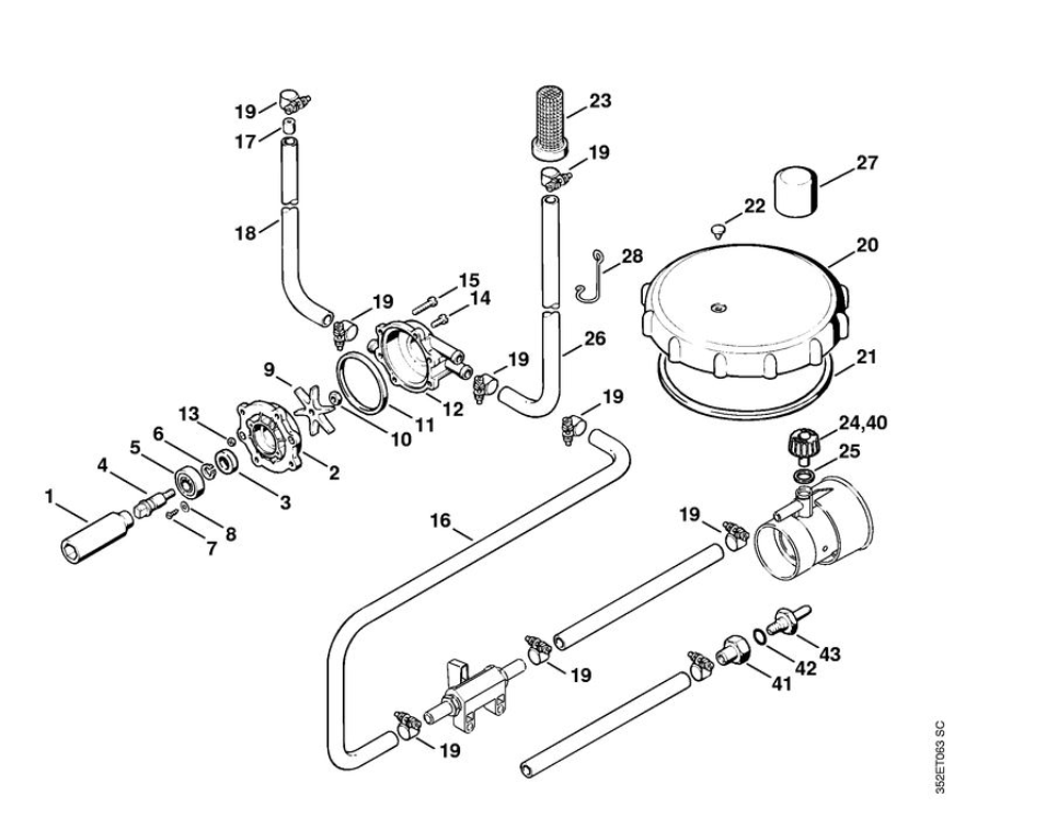
11 | Нагнетательный насос | SR 400 | Опрыскиватель STIHL | Запчасти по России | Сервисное обслуживание
12 | ULV-сопло, вращающееся | SR 400 | Опрыскиватель STIHL | Запчасти по России | Сервисное обслуживание
13 | Средства для ухода | SR 400 | Опрыскиватель STIHL | Запчасти по России | Сервисное обслуживание
14 | Средства для ухода | SR 400 | Опрыскиватель STIHL | Запчасти по России | Сервисное обслуживание
STIHL масло, смазка, канистра для опрыскивателя | Штиль SR 400 | Магазин - Сервис