1 | A - Руль | RMA 448.2 VC | Аккумуляторная газонокосилка STIHL | Запчасти по России | Сервисное обслуживание
2 | B - Корпус, передняя ось | RMA 448.2 VC | Аккумуляторная газонокосилка STIHL | Запчасти по России | Сервисное обслуживание
3 | C - Механизм для перемещения, регулирование по высоте | RMA 448.2 VC | Аккумуляторная газонокосилка STIHL | Запчасти по России | Сервисное обслуживание
4 | D - Двигатель, нож | RMA 448.2 VC | Аккумуляторная газонокосилка STIHL | Запчасти по России | Сервисное обслуживание
5 | E - Травосборник | RMA 448.2 VC | Аккумуляторная газонокосилка STIHL | Запчасти по России | Сервисное обслуживание
6 | F - Инструмент | RMA 448.2 VC | Аккумуляторная газонокосилка STIHL | Запчасти по России | Сервисное обслуживание
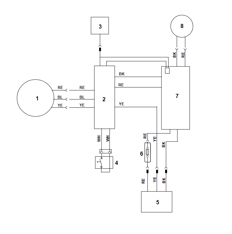
7 | G - Электрическая схема | RMA 448.2 VC | Аккумуляторная газонокосилка STIHL | Запчасти по России | Сервисное обслуживание
8 | H - смазочные материалы | RMA 448.2 VC | Аккумуляторная газонокосилка STIHL | Запчасти по России | Сервисное обслуживание
9 | I - Специальный инструмент | RMA 448.2 VC | Аккумуляторная газонокосилка STIHL | Запчасти по России | Сервисное обслуживание
10 | Средства для ухода | RMA 448.2 VC | Аккумуляторная газонокосилка STIHL | Запчасти по России | Сервисное обслуживание
11 | Различные смазочные материалы и консистентные смазки | RMA 448.2 VC | Аккумуляторная газонокосилка STIHL | Запчасти по России | Сервисное обслуживание