1 | A - Руль | RMA 339.0 C | Аккумуляторная газонокосилка STIHL | Запчасти по России | Сервисное обслуживание
2 | B - Корпус | RMA 339.0 C | Аккумуляторная газонокосилка STIHL | Запчасти по России | Сервисное обслуживание
3 | C - Механизм для перемещения, регулирование по высоте | RMA 339.0 C | Аккумуляторная газонокосилка STIHL | Запчасти по России | Сервисное обслуживание
4 | D - Двигатель, нож | RMA 339.0 C | Аккумуляторная газонокосилка STIHL | Запчасти по России | Сервисное обслуживание
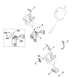
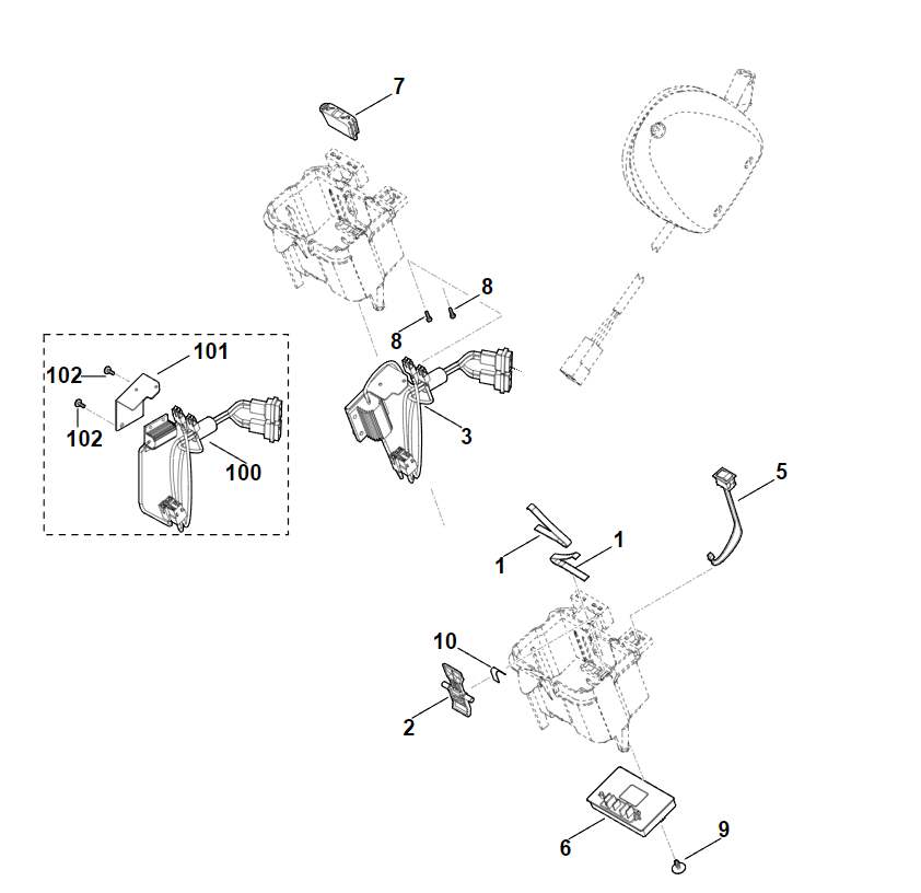
5 | E - Узлы электрооборудования | RMA 339.0 C | Аккумуляторная газонокосилка STIHL | Запчасти по России | Сервисное обслуживание
6 | F - Травосборник | RMA 339.0 C | Аккумуляторная газонокосилка STIHL | Запчасти по России | Сервисное обслуживание
7 | G - Инструмент | RMA 339.0 C | Аккумуляторная газонокосилка STIHL | Запчасти по России | Сервисное обслуживание
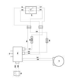
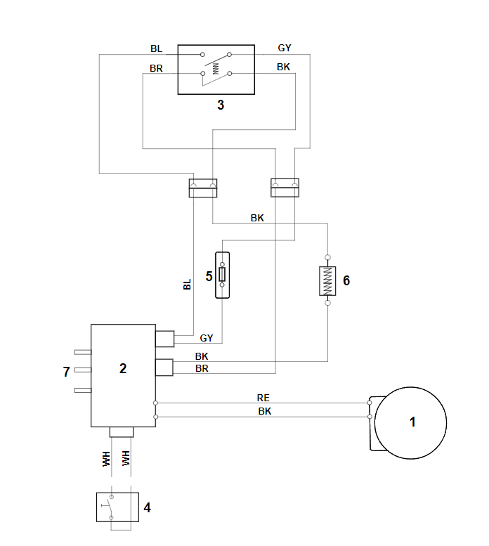
8 | H - Электрическая схема | RMA 339.0 C | Аккумуляторная газонокосилка STIHL | Запчасти по России | Сервисное обслуживание
9 | I - Специальный инструмент | RMA 339.0 C | Аккумуляторная газонокосилка STIHL | Запчасти по России | Сервисное обслуживание
10 | Различные смазочные материалы и консистентные смазки | RMA 339.0 C | Аккумуляторная газонокосилка STIHL | Запчасти по России | Сервисное обслуживание
11 | Средства для ухода | RMA 339.0 C | Аккумуляторная газонокосилка STIHL | Запчасти по России | Сервисное обслуживание