1 | A - Двигатель в сборе | MVP 850.1 S | Аккумуляторный двигатель STIHL | Запчасти по России | Сервисное обслуживание
2 | B - Корпус | MVP 850.1 S | Аккумуляторный двигатель STIHL | Запчасти по России | Сервисное обслуживание
3 | C - Держатель аккумуляторной батареи, электроника, электродвигатель | MVP 850.1 S | Аккумуляторный двигатель STIHL | Запчасти по России | Сервисное обслуживание
4 | D - Специальный инструмент | MVP 850.1 S | Аккумуляторный двигатель STIHL | Запчасти по России | Сервисное обслуживание
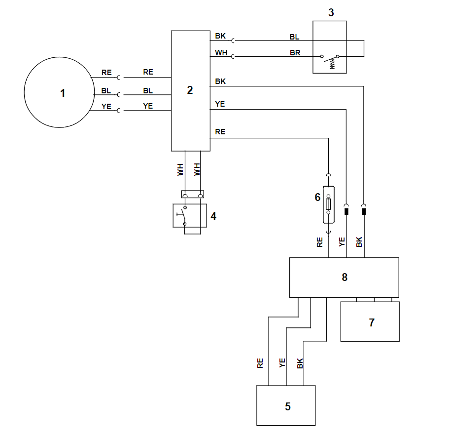
5 | E - Электрическая схема | MVP 850.1 S | Аккумуляторный двигатель STIHL | Запчасти по России | Сервисное обслуживание
6 | Средства для ухода | MVP 850.1 S | Аккумуляторный двигатель STIHL | Запчасти по России | Сервисное обслуживание
7 | Различные смазочные материалы и консистентные смазки | MVP 850.1 S | Аккумуляторный двигатель STIHL | Запчасти по России | Сервисное обслуживание