1 | A - Двигатель в сборе | MVP 600.1 V | Аккумуляторный двигатель STIHL | Запчасти по России | Сервисное обслуживание
2 | B - Корпус | MVP 600.1 V | Аккумуляторный двигатель STIHL | Запчасти по России | Сервисное обслуживание
3 | C - Держатель аккумуляторной батареи, электроника, электродвигатель | MVP 600.1 V | Аккумуляторный двигатель STIHL | Запчасти по России | Сервисное обслуживание
4 | D - Специальный инструмент | MVP 600.1 V | Аккумуляторный двигатель STIHL | Запчасти по России | Сервисное обслуживание
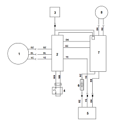
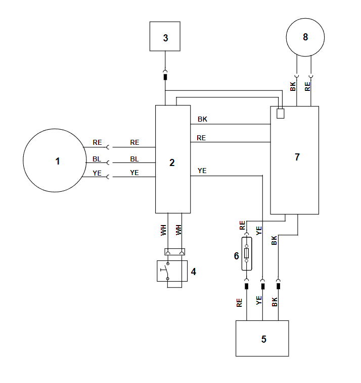
5 | E - Электрическая схема | MVP 600.1 V | Аккумуляторный двигатель STIHL | Запчасти по России | Сервисное обслуживание
6 | Средства для ухода | MVP 600.1 V | Аккумуляторный двигатель STIHL | Запчасти по России | Сервисное обслуживание
7 | Различные смазочные материалы и консистентные смазки | MVP 600.1 V | Аккумуляторный двигатель STIHL | Запчасти по России | Сервисное обслуживание