1 | A - Двигатель в сборе | MVC 600.1 X | Аккумуляторный двигатель STIHL | Запчасти по России | Сервисное обслуживание
2 | B - Корпус | MVC 600.1 X | Аккумуляторный двигатель STIHL | Запчасти по России | Сервисное обслуживание
3 | C - Держатель аккумуляторной батареи, электроника, электродвигатель | MVC 600.1 X | Аккумуляторный двигатель STIHL | Запчасти по России | Сервисное обслуживание
4 | D - Специальный инструмент | MVC 600.1 X | Аккумуляторный двигатель STIHL | Запчасти по России | Сервисное обслуживание
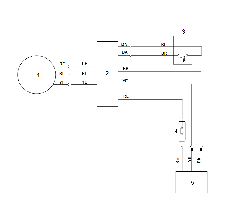
5 | E - Электрическая схема | MVC 600.1 X | Аккумуляторный двигатель STIHL | Запчасти по России | Сервисное обслуживание
6 | Средства для ухода | MVC 600.1 X | Аккумуляторный двигатель STIHL | Запчасти по России | Сервисное обслуживание
7 | Различные смазочные материалы и консистентные смазки | MVC 600.1 X | Аккумуляторный двигатель STIHL | Запчасти по России | Сервисное обслуживание