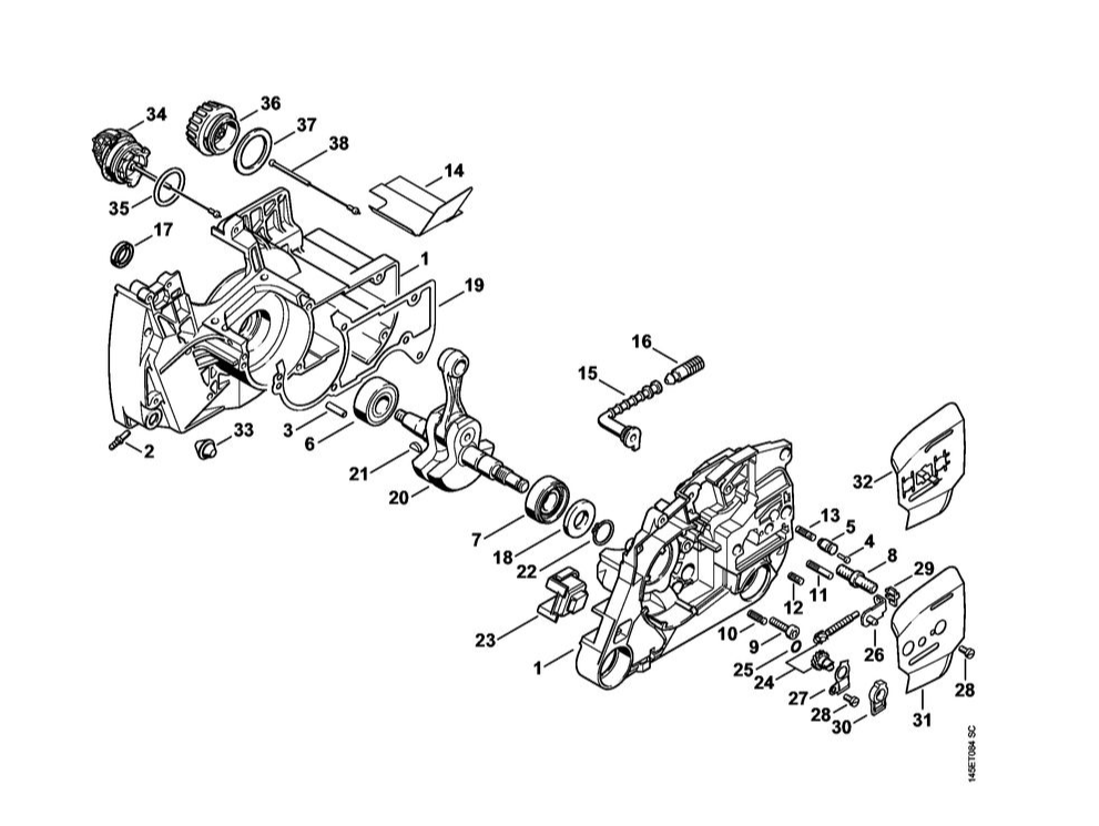
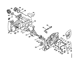
1 | Картер - Коленчатый вал | 046 | Бензопила STIHL | Запчасти по России | Сервисное обслуживание
2 | Цилиндр | 046 | Бензопила STIHL | Запчасти по России | Сервисное обслуживание
3 | Шумоглушитель | 046 | Бензопила STIHL | Запчасти по России | Сервисное обслуживание
4 | Mасляный насос - Муфта | 046 | Бензопила STIHL | Запчасти по России | Сервисное обслуживание
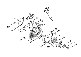
5 | Тормоз пильной цепи - Крышка цепной звёздочки | 046 | Бензопила STIHL | Запчасти по России | Сервисное обслуживание
6 | Система зажигания | 046 | Бензопила STIHL | Запчасти по России | Сервисное обслуживание
7 | Кабельный жгут | 046 | Бензопила STIHL | Запчасти по России | Сервисное обслуживание
8 | Пусковое устройство | 046 | Бензопила STIHL | Запчасти по России | Сервисное обслуживание
9 | Корпус топливного бака | 046 | Бензопила STIHL | Запчасти по России | Сервисное обслуживание
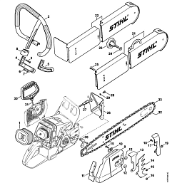
10 | Антивибрационная система | 046 | Бензопила STIHL | Запчасти по России | Сервисное обслуживание
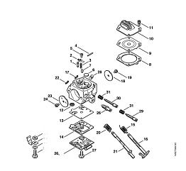
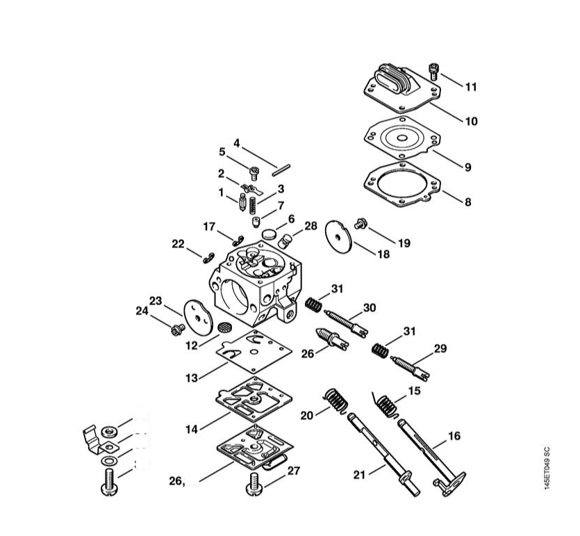
11 | Карбюратор HD-14, HD-16, HD-24 | 046 | Бензопила STIHL | Запчасти по России | Сервисное обслуживание
12 | Карбюратор HD-8, HD-9 | 046 | Бензопила STIHL | Запчасти по России | Сервисное обслуживание
13 | Кожух - Воздушный фильтр | 046 | Бензопила STIHL | Запчасти по России | Сервисное обслуживание
14 | Трубчатая рукоятка - Нагревательная плёнка | 046 | Бензопила STIHL | Запчасти по России | Сервисное обслуживание
15 | Инструмент - Специальные принадлежности | 046 | Бензопила STIHL | Запчасти по России | Сервисное обслуживание
16 | Набор для переоборудования - Пила для спасательных работ Не для (27.2000), (31.2005) | 046 | Бензопила STIHL | Запчасти по России | Сервисное обслуживание
STIHL масло, смазка, канистра для бензопилы | мотопилы Штиль MS 046 | Магазин - Сервис
Ремонт бензопилы | пилы Штиль MS 046 в СПБ | Сервисная диагностика Stihl бесплатно |