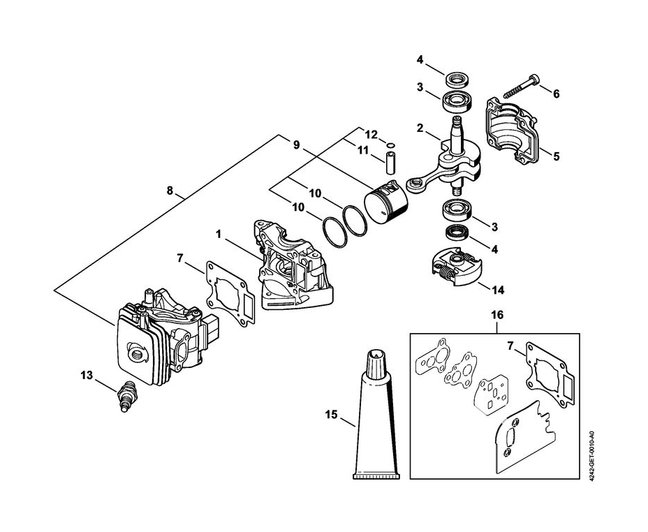
1 | Картер - Цилиндр - Муфта | HS 56 C-E | Бензиновые ножницы STIHL | Запчасти по России | Сервисное обслуживание
2 | Система зажигания - Шумоглушитель | HS 56 C-E | Бензиновые ножницы STIHL | Запчасти по России | Сервисное обслуживание
3 | Пусковое устройство ErgoStart | HS 56 C-E | Бензиновые ножницы STIHL | Запчасти по России | Сервисное обслуживание
4 | Промежуточный фланец - Воздушный фильтр | HS 56 C-E | Бензиновые ножницы STIHL | Запчасти по России | Сервисное обслуживание
5 | Карбюратор 4242/01 | HS 56 C-E | Бензиновые ножницы STIHL | Запчасти по России | Сервисное обслуживание
6 | Корпус рукоятки - Топливный бак | HS 56 C-E | Бензиновые ножницы STIHL | Запчасти по России | Сервисное обслуживание
7 | Антивибрационная система - Устройство управления дроссельной заслонкой | HS 56 C-E | Бензиновые ножницы STIHL | Запчасти по России | Сервисное обслуживание
8 | Передача - Режущее устройство HS 56 C-E | HS 56 C-E | Бензиновые ножницы STIHL | Запчасти по России | Сервисное обслуживание
9 | Заводской номер агрегата | HS 56 C-E | Бензиновые ножницы STIHL | Запчасти по России | Сервисное обслуживание
10 | Smart Connector | HS 56 C-E | Бензиновые ножницы STIHL | Запчасти по России | Сервисное обслуживание
11 | Средства для ухода | HS 56 C-E | Бензиновые ножницы STIHL | Запчасти по России | Сервисное обслуживание
12 | Средства для ухода | HS 56 C-E | Бензиновые ножницы STIHL | Запчасти по России | Сервисное обслуживание
13 | Средства для ухода | HS 56 C-E | Бензиновые ножницы STIHL | Запчасти по России | Сервисное обслуживание
STIHL масло, смазка, канистра для садовых ножниц | Штиль HS 56 C-E | Магазин - Сервис